Skip to content

Kussmaul Single Bar Graph Display 091-199-001

Sale Sale
Original price $181.00
Original price $181.00 - Original price $181.00
Original price $181.00
Current price $160.34
$160.34 - $160.34
Current price $160.34
SKU 200058106

Here we have a Kussmaul Single Bar Graph Display 091-199-001. It is to be used with the following systems:

  • Auto Charge 1000 PLC
  • Auto Charge 35/10
  • Pump Plus 1200 AC
  • Auto Charge 1200
  • Auto Charge 1200 Remote

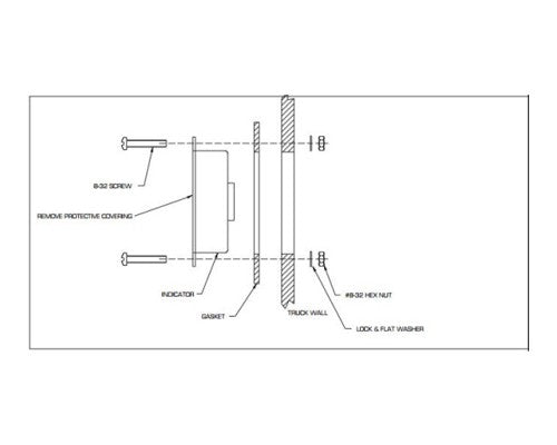
Indicator Installation:
1. Locate the Indicator in a convenient place on the vehicle.
2. Place the template in position and center punch in 4 places.
3. Drill holes as shown.
4. Cut out a square hole.
5. Connect wiring to the charger in accordance with the instructions in the charger installation instructions.
6. Install as shown.
7. Insert (4) #8-32 screws supplied and tighten.

CAUTION: Do not over-tighten because you will bend the plastic bezel and break the watertight seal